全(quan)國統一免費熱線:400-8783-167 或 021-31200936
郵箱(xiang):869852709@qq.com
English
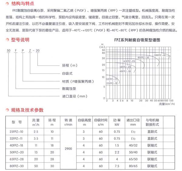
當前位置:首頁 / 產品中心 / 耐腐蝕泵系列 / FPZ塑料自吸泵
產品詳情
上一條:耐腐蝕泵系列
下一條:FSB氟塑料合金離心泵
相關信息
FB,AFB耐腐蝕泵
WSY,FSY玻(bo)璃鋼液下(xia)泵(beng)
PF強耐腐蝕離心泵
IHF氟塑料離心泵
致力于泵閥生產研發 創造更多無限可能該(gai)網站所有產品圖及(ji)宣傳(chuan)圖片屬于高適所有,任何個人和組織不得使用(yong),盜用(yong)必究。
關于我們
新聞動態
產品中心
微信關注
全國服務熱線
400-8783-167
地址:上海市奉賢區陳橋路1887號1幢3層F139室
Copyright ? 2020上海高適泵閥有限公司 All Right Reseved 技術支持: 3CF消防控制柜廠家主營:潛水排污泵、3CF巡檢柜、3CF消防柜、水泵控制柜、3CF控制柜、3CF消防控制柜等產品. 網站地圖